
一、产品概述
4-72、B4-72、F4-72系列离心通风机是我公司引进国外科学技术基础上研发的一种效率高,低噪声后倾式离心通风机。风机结构紧凑、安装维修方便,广泛应用于环保设备、除尘设备、涂装设备、化工设备、工矿厂房等场所的通风换气。
风机规格从280、320、360, 400、450、500、560、600、630、710.800、900、1000、1120、1250. 1400、1600、1800、2000(按照客户要求可定制特殊尺寸和更大型号)风机传动方式分为: A、C、D、E 四种。
风机可制作成右旋和左旋两种形式,出风口可以制作成0°、45° 、90° 、135° 、180° 、225° 、270° (具体参照风机方向选型图参考)
产品特点:单进风,后倾弧形叶片,低噪音,节能,外观美观,结构紧凑
传动结构:A、C、D、E式均可
产品机号:280#-2000#
风量范围:1100-230000m3/h
全压范围:230-5800pa
产品用途:涂装设备、环保设备、冶金石化,工业送排风等
二、风机结构:
叶轮
叶轮采用后弯形单板叶片(激光下料和冲压设备成型弧度工艺),拼装之后由机械手完成焊接,具有效率高、低噪声等优点,整体经过静动平衡试验,保证叶轮运转的平衡精度。
机壳
机壳采用钢板焊接制成,机壳表面经过抛丸处理之后,采用防锈漆处理之后再进行油漆喷涂处理。
集风器
集风器为整体旋压成型,具有喷嘴型曲线, 和叶轮高精度配合保证风机的性能。
传动部
传动部由轴承箱、轴承.主轴、 三角带(联轴器)传动系统组成。轴承箱为我公司开模定制(带有冰球突破标志),与市场轴承箱结构存在差异,避免了长期使用后漏油现象发生。
传动部分可选配国产(进口)轴承及机油(油脂)润滑。风机配用皮带轮可选固定式或者锥套式带轮(方便拆卸),三角带可选配国内品牌或者进口。
底座
底座采用型钢焊接而成,配用橡胶或者弹簧减震器进行防震设计,也可以制成弹簧双底座形式,美观大方、结构紧凑稳定。
风机根据客户的要求可配检修口、排水阀、风门调节阀、进风口法兰变径,消音器等。风机配套电机可根据客户要求配套YX3(节能电机),公司正常配套YE2系列电机,特殊不同客户使用场合要求可配变频电机、防爆电机、防爆变频电机等。
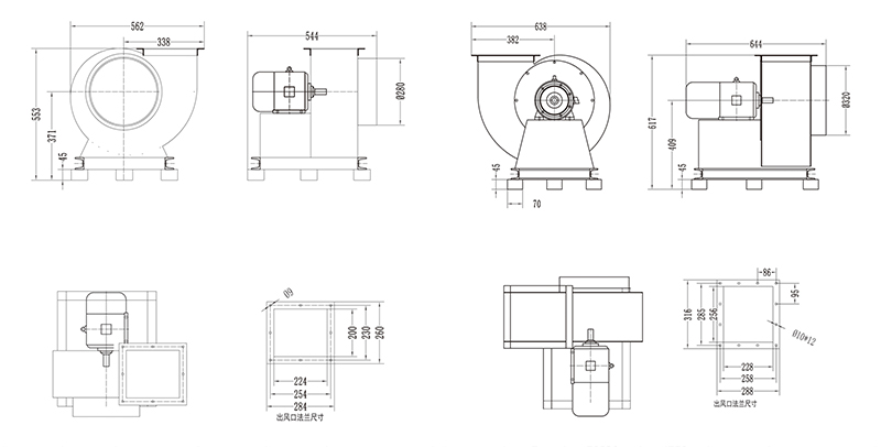
4-72、B4-72、 F4-72系 列离心通风机安装及外形尺寸

4-72、B4-72、F4-72系列离心通风机性能参数表


集科技开发、产品设计、制造销售、安装服务为一体的现代化工科型经济实体
扫一扫 手机站